Размер шрифта
Цвет фона и шрифта
Изображения
Озвучивание текста
Обычная версия сайта
Завод железобетонных изделий
ГК "БЛОК" - Производство и поставка железобетонных изделий в Владивостоке!

+7 (4232) 78-33-45
+7 (4232) 78-33-45
Заказать звонок
E-mail
vladivostok@block-gbi.ru
Адрес
Океанский просп., 88А
Режим работы
Будни - с 9 до 18 Сб, ВС - выходные
Подать заявку
Главная
Каталог
  • ЖБИ для дорожного строительства
    • Блоки укреплений
    • Водопропускные трубы
    • Камни бортовые
    • Колодцы железобетонные
    • Лотки железобетонные
    • Плиты дорожные
  • ЖБИ для железнодорожного строительства
    • Лотки дренажные
    • Фундаменты трехлучевые
    • Шпалы железобетонные
  • ЖБИ для жилищного строительства
    • Вентиляционные блоки
    • Заборы железобетонные
    • Лестницы железобетонные
    • Перемычки
    • Плиты перекрытий
    • Шахты лифтов
  • ЖБИ для инженерного строительства
    • Камеры тепловые
    • Камеры футерованные
    • Каналы непроходные
    • Каналы сборные
    • Колодцы кабельные
    • Колодцы футерованные
    • Лотки лк
    • Трубы железобетонные
    • Щитовые опоры
  • ЖБИ для мостов, тоннелей и путепроводов
    • Балки мостовые
    • Коллекторы железобетонные
    • Контурные блоки
    • Пустотные плиты
    • Своды железобетонные
    • Тоннели сборные
    • Фермы железобетонные
  • ЖБИ для нефтегазового строительства
    • Сваи железобетонные
    • Столбики сигнальные
    • Утяжелители
  • ЖБИ для промышленного строительства
    • Бомбоубежища
    • Диафрагмы жесткости
    • Прогоны железобетонные
    • Ригели железобетонные
    • Столбы шпалерные (садовые)
    • Фундаментные блоки
  • ЖБИ для энергетического строительства
    • Анкерные плиты
    • Опоры лэп
    • Подстанции
    • Приставки железобетонные
    • Ригели опор
    • Фундаменты опор
  • Нетиповые ЖБИ
    • Волнорезы
    • Плиты тротуарные
Доставка
Оплата
Компания
  • О компании
  • История
  • ГОСТы
  • Сертификаты
  • Заказчики
  • Сотрудники
  • Вакансии
  • Реквизиты
  • Доставка В ЛНР и ДНР
  • Цены на ЖБИ
Объекты
Контакты
Владивосток
Завод железобетонных изделий
ГК "БЛОК" - Производство и поставка железобетонных изделий в Владивостоке!

Владивосток
+7 (4232) 78-33-45
+7 (4232) 78-33-45
Заказать звонок
E-mail
vladivostok@block-gbi.ru
Адрес
Океанский просп., 88А
Режим работы
Будни - с 9 до 18 Сб, ВС - выходные
Заказать звонок
Подать заявку
Главная
Каталог
  • ЖБИ для дорожного строительства
    ЖБИ для дорожного строительства
    • Блоки укреплений      
      • Серии блоков
      • Типы блоков
    • Водопропускные трубы      
      • Серия изготовления
      • Тип звеньев
    • Камни бортовые      
      • Типы бортовых камней
    • Колодцы железобетонные      
      • Диаметры
      • Элементы
    • Лотки железобетонные      
      • ГОСТы и Серии
      • Типы лотков ЖБИ
    • Плиты дорожные      
      • ГОСТы и Серии дорожных плит
      • Типы дорожных плит
  • ЖБИ для железнодорожного строительства
    ЖБИ для железнодорожного строительства
    • Лотки дренажные      
      • Типы дренажных лотков
    • Фундаменты трехлучевые      
      • Серии фундаментов
      • Типы фундаментов
    • Шпалы железобетонные
  • ЖБИ для жилищного строительства
    ЖБИ для жилищного строительства
    • Вентиляционные блоки      
      • ГОСТы вентиляционных блоков
      • Типы вентблоков
    • Заборы железобетонные      
      • Вид забора ЖБИ
      • ГОСТы и Серии ЖБ заборов
    • Лестницы железобетонные      
      • ГОСТы и Серии ЖБ лестниц
      • Элементы лестниц
    • Перемычки
    • Плиты перекрытий      
      • ГОСТы и Серии плит перекрытий
      • Типы плит перекрытий
    • Шахты лифтов      
      • ГОСТы и Серии лифтовых шахт
      • Типы лифтовых шахт
  • ЖБИ для инженерного строительства
    ЖБИ для инженерного строительства
    • Камеры тепловые      
      • Серии тепловых камер
      • Тип элемента камер
    • Камеры футерованные      
      • Типы футерованных камер
    • Каналы непроходные
    • Каналы сборные      
      • Серии
      • Типы
    • Колодцы кабельные      
      • Типы колодцев ККС
    • Колодцы футерованные      
      • Типы футерованных колодцев
    • Лотки лк      
      • Типоразмеры лотков
    • Трубы железобетонные      
      • ГОСТы и Серии ЖБ труб
      • Типы
    • Щитовые опоры      
      • Серии
  • ЖБИ для мостов, тоннелей и путепроводов
    ЖБИ для мостов, тоннелей и путепроводов
    • Балки мостовые      
      • Серии мостовых балок
      • Элементы балок
    • Коллекторы железобетонные      
      • Серии ЖБ коллекторов
      • Типы ЖБ коллекторов
    • Контурные блоки
    • Пустотные плиты      
      • Серии пустотных плит
    • Своды железобетонные      
      • Серии железобетонных сводов
      • Типы конструкций
    • Тоннели сборные      
      • Серии сборных тоннелей
      • Типы сборных тоннелей
    • Фермы железобетонные      
      • Типоразмеры ферм
      • Типы железобетонных ферм
  • ЖБИ для нефтегазового строительства
    ЖБИ для нефтегазового строительства
    • Сваи железобетонные      
      • ГОСТы и Серии
      • Типы
    • Столбики сигнальные
    • Утяжелители      
      • Типы утяжелителей
  • ЖБИ для промышленного строительства
    ЖБИ для промышленного строительства
    • Бомбоубежища      
      • ГОСТы бомбоубежищ
      • Типы бомбоубежищ
    • Диафрагмы жесткости      
      • Серии диафрагм жесткости
      • Типы диафрагм
    • Прогоны железобетонные      
      • Серии ЖБ прогонов
      • Типы ЖБ прогонов
    • Ригели железобетонные      
      • ГОСТы и Серии для ЖБ ригелей
      • Типы железобетонных ригелей
    • Столбы шпалерные (садовые)
    • Фундаментные блоки      
      • ГОСТы и Серии фундаментных блоков
      • Типы фундаментных блоков
  • ЖБИ для энергетического строительства
    ЖБИ для энергетического строительства
    • Анкерные плиты
    • Опоры лэп      
      • Серии опор ЛЭП
      • Типы опор ЛЭП
    • Подстанции      
      • Серии подстанций
      • Элементы подстанций
    • Приставки железобетонные      
      • ГОСТы и Серии ЖБ приставок
    • Ригели опор
    • Фундаменты опор      
      • Серии фундаментов опор
  • Нетиповые ЖБИ
    Нетиповые ЖБИ
    • Волнорезы      
      • Типы волнорезов
    • Плиты тротуарные      
      • ГОСТы и Серии
Доставка
Оплата
Компания
  • О компании
  • История
  • ГОСТы
  • Сертификаты
  • Заказчики
  • Сотрудники
  • Вакансии
  • Реквизиты
  • Доставка В ЛНР и ДНР
  • Цены на ЖБИ
Объекты
Контакты
    Завод железобетонных изделий
    Главная
    Каталог
    • ЖБИ для дорожного строительства
      ЖБИ для дорожного строительства
      • Блоки укреплений      
        • Серии блоков
        • Типы блоков
      • Водопропускные трубы      
        • Серия изготовления
        • Тип звеньев
      • Камни бортовые      
        • Типы бортовых камней
      • Колодцы железобетонные      
        • Диаметры
        • Элементы
      • Лотки железобетонные      
        • ГОСТы и Серии
        • Типы лотков ЖБИ
      • Плиты дорожные      
        • ГОСТы и Серии дорожных плит
        • Типы дорожных плит
    • ЖБИ для железнодорожного строительства
      ЖБИ для железнодорожного строительства
      • Лотки дренажные      
        • Типы дренажных лотков
      • Фундаменты трехлучевые      
        • Серии фундаментов
        • Типы фундаментов
      • Шпалы железобетонные
    • ЖБИ для жилищного строительства
      ЖБИ для жилищного строительства
      • Вентиляционные блоки      
        • ГОСТы вентиляционных блоков
        • Типы вентблоков
      • Заборы железобетонные      
        • Вид забора ЖБИ
        • ГОСТы и Серии ЖБ заборов
      • Лестницы железобетонные      
        • ГОСТы и Серии ЖБ лестниц
        • Элементы лестниц
      • Перемычки
      • Плиты перекрытий      
        • ГОСТы и Серии плит перекрытий
        • Типы плит перекрытий
      • Шахты лифтов      
        • ГОСТы и Серии лифтовых шахт
        • Типы лифтовых шахт
    • ЖБИ для инженерного строительства
      ЖБИ для инженерного строительства
      • Камеры тепловые      
        • Серии тепловых камер
        • Тип элемента камер
      • Камеры футерованные      
        • Типы футерованных камер
      • Каналы непроходные
      • Каналы сборные      
        • Серии
        • Типы
      • Колодцы кабельные      
        • Типы колодцев ККС
      • Колодцы футерованные      
        • Типы футерованных колодцев
      • Лотки лк      
        • Типоразмеры лотков
      • Трубы железобетонные      
        • ГОСТы и Серии ЖБ труб
        • Типы
      • Щитовые опоры      
        • Серии
    • ЖБИ для мостов, тоннелей и путепроводов
      ЖБИ для мостов, тоннелей и путепроводов
      • Балки мостовые      
        • Серии мостовых балок
        • Элементы балок
      • Коллекторы железобетонные      
        • Серии ЖБ коллекторов
        • Типы ЖБ коллекторов
      • Контурные блоки
      • Пустотные плиты      
        • Серии пустотных плит
      • Своды железобетонные      
        • Серии железобетонных сводов
        • Типы конструкций
      • Тоннели сборные      
        • Серии сборных тоннелей
        • Типы сборных тоннелей
      • Фермы железобетонные      
        • Типоразмеры ферм
        • Типы железобетонных ферм
    • ЖБИ для нефтегазового строительства
      ЖБИ для нефтегазового строительства
      • Сваи железобетонные      
        • ГОСТы и Серии
        • Типы
      • Столбики сигнальные
      • Утяжелители      
        • Типы утяжелителей
    • ЖБИ для промышленного строительства
      ЖБИ для промышленного строительства
      • Бомбоубежища      
        • ГОСТы бомбоубежищ
        • Типы бомбоубежищ
      • Диафрагмы жесткости      
        • Серии диафрагм жесткости
        • Типы диафрагм
      • Прогоны железобетонные      
        • Серии ЖБ прогонов
        • Типы ЖБ прогонов
      • Ригели железобетонные      
        • ГОСТы и Серии для ЖБ ригелей
        • Типы железобетонных ригелей
      • Столбы шпалерные (садовые)
      • Фундаментные блоки      
        • ГОСТы и Серии фундаментных блоков
        • Типы фундаментных блоков
    • ЖБИ для энергетического строительства
      ЖБИ для энергетического строительства
      • Анкерные плиты
      • Опоры лэп      
        • Серии опор ЛЭП
        • Типы опор ЛЭП
      • Подстанции      
        • Серии подстанций
        • Элементы подстанций
      • Приставки железобетонные      
        • ГОСТы и Серии ЖБ приставок
      • Ригели опор
      • Фундаменты опор      
        • Серии фундаментов опор
    • Нетиповые ЖБИ
      Нетиповые ЖБИ
      • Волнорезы      
        • Типы волнорезов
      • Плиты тротуарные      
        • ГОСТы и Серии
    Доставка
    Оплата
    Компания
    • О компании
    • История
    • ГОСТы
    • Сертификаты
    • Заказчики
    • Сотрудники
    • Вакансии
    • Реквизиты
    • Доставка В ЛНР и ДНР
    • Цены на ЖБИ
    Объекты
    Контакты
      Владивосток
      +7 (4232) 78-33-45
      Заказать звонок
      E-mail
      vladivostok@block-gbi.ru
      Адрес
      Океанский просп., 88А
      Режим работы
      Будни - с 9 до 18 Сб, ВС - выходные
      Подать заявку
      Завод железобетонных изделий
      Телефоны
      +7 (4232) 78-33-45
      Заказать звонок
      E-mail
      vladivostok@block-gbi.ru
      Адрес
      Океанский просп., 88А
      Режим работы
      Будни - с 9 до 18 Сб, ВС - выходные
      Завод железобетонных изделий
      • Владивосток
        • Города
        • Благовещенск
        • Владивосток
        • Донецк
        • Екатеринбург
        • Иркутск
        • Калининград
        • Краснодар
        • Красноярск
        • Мариуполь
        • Москва
        • Новосибирск
        • Омск
        • Санкт-Петербург
        • Севастополь
        • Симферополь
        • Тюмень
        • Хабаровск
      • Кабинет
      • Главная
      • Каталог
        • Каталог
        • ЖБИ для дорожного строительства
          • ЖБИ для дорожного строительства
          • Блоки укреплений
            • Блоки укреплений
            • Серии блоков
            • Типы блоков
          • Водопропускные трубы
            • Водопропускные трубы
            • Серия изготовления
            • Тип звеньев
          • Камни бортовые
            • Камни бортовые
            • Типы бортовых камней
          • Колодцы железобетонные
            • Колодцы железобетонные
            • Диаметры
            • Элементы
          • Лотки железобетонные
            • Лотки железобетонные
            • ГОСТы и Серии
            • Типы лотков ЖБИ
          • Плиты дорожные
            • Плиты дорожные
            • ГОСТы и Серии дорожных плит
            • Типы дорожных плит
        • ЖБИ для железнодорожного строительства
          • ЖБИ для железнодорожного строительства
          • Лотки дренажные
            • Лотки дренажные
            • Типы дренажных лотков
          • Фундаменты трехлучевые
            • Фундаменты трехлучевые
            • Серии фундаментов
            • Типы фундаментов
          • Шпалы железобетонные
        • ЖБИ для жилищного строительства
          • ЖБИ для жилищного строительства
          • Вентиляционные блоки
            • Вентиляционные блоки
            • ГОСТы вентиляционных блоков
            • Типы вентблоков
          • Заборы железобетонные
            • Заборы железобетонные
            • Вид забора ЖБИ
            • ГОСТы и Серии ЖБ заборов
          • Лестницы железобетонные
            • Лестницы железобетонные
            • ГОСТы и Серии ЖБ лестниц
            • Элементы лестниц
          • Перемычки
          • Плиты перекрытий
            • Плиты перекрытий
            • ГОСТы и Серии плит перекрытий
            • Типы плит перекрытий
          • Шахты лифтов
            • Шахты лифтов
            • ГОСТы и Серии лифтовых шахт
            • Типы лифтовых шахт
        • ЖБИ для инженерного строительства
          • ЖБИ для инженерного строительства
          • Камеры тепловые
            • Камеры тепловые
            • Серии тепловых камер
            • Тип элемента камер
          • Камеры футерованные
            • Камеры футерованные
            • Типы футерованных камер
          • Каналы непроходные
          • Каналы сборные
            • Каналы сборные
            • Серии
            • Типы
          • Колодцы кабельные
            • Колодцы кабельные
            • Типы колодцев ККС
          • Колодцы футерованные
            • Колодцы футерованные
            • Типы футерованных колодцев
          • Лотки лк
            • Лотки лк
            • Типоразмеры лотков
          • Трубы железобетонные
            • Трубы железобетонные
            • ГОСТы и Серии ЖБ труб
            • Типы
          • Щитовые опоры
            • Щитовые опоры
            • Серии
        • ЖБИ для мостов, тоннелей и путепроводов
          • ЖБИ для мостов, тоннелей и путепроводов
          • Балки мостовые
            • Балки мостовые
            • Серии мостовых балок
            • Элементы балок
          • Коллекторы железобетонные
            • Коллекторы железобетонные
            • Серии ЖБ коллекторов
            • Типы ЖБ коллекторов
          • Контурные блоки
          • Пустотные плиты
            • Пустотные плиты
            • Серии пустотных плит
          • Своды железобетонные
            • Своды железобетонные
            • Серии железобетонных сводов
            • Типы конструкций
          • Тоннели сборные
            • Тоннели сборные
            • Серии сборных тоннелей
            • Типы сборных тоннелей
          • Фермы железобетонные
            • Фермы железобетонные
            • Типоразмеры ферм
            • Типы железобетонных ферм
        • ЖБИ для нефтегазового строительства
          • ЖБИ для нефтегазового строительства
          • Сваи железобетонные
            • Сваи железобетонные
            • ГОСТы и Серии
            • Типы
          • Столбики сигнальные
          • Утяжелители
            • Утяжелители
            • Типы утяжелителей
        • ЖБИ для промышленного строительства
          • ЖБИ для промышленного строительства
          • Бомбоубежища
            • Бомбоубежища
            • ГОСТы бомбоубежищ
            • Типы бомбоубежищ
          • Диафрагмы жесткости
            • Диафрагмы жесткости
            • Серии диафрагм жесткости
            • Типы диафрагм
          • Прогоны железобетонные
            • Прогоны железобетонные
            • Серии ЖБ прогонов
            • Типы ЖБ прогонов
          • Ригели железобетонные
            • Ригели железобетонные
            • ГОСТы и Серии для ЖБ ригелей
            • Типы железобетонных ригелей
          • Столбы шпалерные (садовые)
          • Фундаментные блоки
            • Фундаментные блоки
            • ГОСТы и Серии фундаментных блоков
            • Типы фундаментных блоков
        • ЖБИ для энергетического строительства
          • ЖБИ для энергетического строительства
          • Анкерные плиты
          • Опоры лэп
            • Опоры лэп
            • Серии опор ЛЭП
            • Типы опор ЛЭП
          • Подстанции
            • Подстанции
            • Серии подстанций
            • Элементы подстанций
          • Приставки железобетонные
            • Приставки железобетонные
            • ГОСТы и Серии ЖБ приставок
          • Ригели опор
          • Фундаменты опор
            • Фундаменты опор
            • Серии фундаментов опор
        • Нетиповые ЖБИ
          • Нетиповые ЖБИ
          • Волнорезы
            • Волнорезы
            • Типы волнорезов
          • Плиты тротуарные
            • Плиты тротуарные
            • ГОСТы и Серии
      • Доставка
      • Оплата
      • Компания
        • Компания
        • О компании
        • История
        • ГОСТы
        • Сертификаты
        • Заказчики
        • Сотрудники
        • Вакансии
        • Реквизиты
        • Доставка В ЛНР и ДНР
        • Цены на ЖБИ
      • Объекты
      • Контакты
      Подать заявку
      • 0 Корзина
      • Калькулятор расчета количества машин для транспортировки изделия
      • +7 (4232) 78-33-45
        • Телефоны
        • +7 (4232) 78-33-45
        • Заказать звонок
      • Океанский просп., 88А
      • vladivostok@block-gbi.ru
      • Будни - с 9 до 18 Сб, ВС - выходные
      Главная
      —
      Продукция
      —
      ЖБИ для нефтегазового строительства
      —
      Сваи железобетонные
      —
      Типы
      —
      Сваи составные
      —Свая С 80.35-НСв.6

      Свая С 80.35-НСв.6

      Свая С 80.35-НСв.6
      19399.5 ₽
      Цена с НДС
      В наличие: много
      Добавить в заказ
      Купить в 1 клик
      Точное соотвествие ГОСТ.
      Свая С 80.35-НСв.6
      Свая С 80.35-НСв.6
      Свая С 80.35-НСв.6
      Свая С 80.35-НСв.6
      Свая С 80.35-НСв.6
      Свая С 80.35-НСв.6
      Свая С 80.35-НСв.6
      Свая С 80.35-НСв.6
      Свая С 80.35-НСв.6
      Свая С 80.35-НСв.6
      Свая С 80.35-НСв.6
      Свая С 80.35-НСв.6
      Свая С 80.35-НСв.6
      Свая С 80.35-НСв.6
      Свая С 80.35-НСв.6
      Свая С 80.35-НСв.6
      Свая С 80.35-НСв.6
      Свая С 80.35-НСв.6
      Свая С 80.35-НСв.6
      Свая С 80.35-НСв.6
      Свая С 80.35-НСв.6
      Свая С 80.35-НСв.6
      Свая С 80.35-НСв.6
      Свая С 80.35-НСв.6
      Свая С 80.35-НСв.6
      Свая С 80.35-НСв.6
      Свая С 80.35-НСв.6
      Свая С 80.35-НСв.6
      Свая С 80.35-НСв.6
      Свая С 80.35-НСв.6
      Свая С 80.35-НСв.6
      Свая С 80.35-НСв.6
      Свая С 80.35-НСв.6
      Свая С 80.35-НСв.6
      Свая С 80.35-НСв.6
      Свая С 80.35-НСв.6
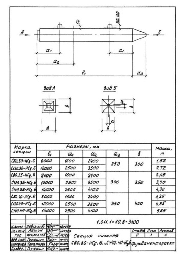
      Характеристики
      ГОСТ/Серия
      —
      Серия 1.011.1-10 вып.8
      Длина, мм
      —
      350
      Ширина, мм
      —
      8000
      Высота, мм
      —
      8000
      Масса, тонн
      —
      2.48
      Объем бетона, куб.м
      —
      0.99
      Все характеристики
      Цена указана на самовывоз. Итоговую стоимость с доставкой, уточняйте у менеджера
      Свая С 80.35-НСв.6
      19399.5 ₽
      Цена с НДС
      В наличие: много
      Добавить в заказ
      Купить в 1 клик
      Точное соотвествие ГОСТ.
      • Описание
      • Характеристики
      • Документы
      • Как купить
      • Оплата
      • Доставка

      Сваи составные нижние С 80.35-НСв.6 усиленные для вибропогружения сплошного квадратного сечения 350х350 мм с ненапрягаемой арматурой железобетонные – это высокопрочные стержни, которые устанавливаются в основании зданий для придания прочности фундаменту. Данные изделия используются в строительстве высотных и многоэтажных домов (жилое строительство), мостов (строительство мостов, тоннелей и эстакад), промышленных объектов, торговых комплексов, складских помещений (промышленное строительство) и других зданий, одним словом – в строительстве любых зданий, независимо от их общей площади, назначения и местоположения. Также сваи используются для повышения несущей способности опор воздушных линий электропередач (энергетическое строительство).

      Сваи железобетонные составные нижние С 80.35-НСв.6 усиленные для вибропогружения сплошного квадратного сечения 350х350 мм с ненапрягаемой арматурой обладают значительными преимуществами по сравнению как с другими строительными материалами, так и с другими известными методами обустройства фундаментной подготовки:

      • могут использоваться в местах с нестабильной почвой;
      • обладают большим сопротивлением и устойчивостью к любым воздействиям – механическим, температурным, химическим;
      • долговечность свай при сохранении первоначальных характеристик;
      • высокая жаропрочность и водонепроницаемость;
      • высокие показатели несущей способности;
      • высокая технологичность в производстве;
      • легкость монтажа – для забивки свай не требуется осушать котлован и подготавливать почву;
      • большая глубина погружения, исключающая возможность сдвига и обрушения фундамента.

      Сваи составные нижние С 80.35-НСв.6 усиленные для вибропогружения сплошного квадратного сечения 350х350 мм с ненапрягаемой арматурой представляют собой столб с заостренными концами, армированный высокопрочной сталью по всей длине стержня. Данные изделия армируются сварными арматурными каркасами, голова свай усиливается сетками. Свайные фундаменты имеют ростверк, опирающийся непосредственно на оголовки свай и предназначенный для передачи нагрузки от конструкций здания или сооружения.

      Сваи составные нижние С 80.35-НСв.6 усиленные для вибропогружения сплошного квадратного сечения 350х350 мм с ненапрягаемой арматурой изготавливаются в соответствии с нормами, указанными в ГОСТ 19804-2012 «Сваи железобетонные заводского изготовления. Общие технические условия» из тяжелого или мелкозернистого бетона классом по прочности на сжатие от В15 и более. В качестве крупного заполнителя для бетона свай применяется фракционированный щебень из естественного камня или гравия, при этом размер фракции должен быть не более 40 мм. Нормируемая передаточная прочность бетона должна быть не менее 70% прочности, соответствующей классу бетона по прочности на сжатие. Марки бетона свай по морозостойкости и водонепроницаемости назначаются в пределах от F50 и W4 до F600 и W8 соответственно, в зависимости от района строительства, уровня ответственности здания или сооружения, режима эксплуатации свай и значений расчетных температур наружного воздуха и окружающего грунта.

      Железобетонные сваи составные нижние С 80.35-НСв.6 усиленные для вибропогружения сплошного квадратного сечения 350х350 мм с ненапрягаемой арматурой армируются предварительно напряженной арматурой из горячекатаной и термомеханически упрочненной стержневой стали классов А600 (А-IV) и А800 (А-V) по ГОСТ 5781 и ГОСТ 10884, стальных арматурных канатов 1х7 по ГОСТ 13840 и высокопрочной проволоки периодического профиля классом от Вр1200 (Вр-II) по ГОСТ 7348. В качестве ненапрягаемой арматуры используется стержневая горячекатаная арматура периодического профиля классами А300 (А-II) и А400 (А-III) по ГОСТ 5781 и термомеханически упрочненная классами А400 (A-III)и А600 (А-IV) по ГОСТ 10884. В качестве конструктивной арматуры (спирали, сетки, хомуты) применяется холоднотянутая проволока из низкоуглеродистой стали класса В500 (В-I, Вр-I) по ГОСТ 6727 и стержневая горячекатаная гладкая сталь класса А240 (А-I) по ГОСТ 5781. Допускается в качестве ненапрягаемой продольной арматуры применять арматурную сталь класса А240 (А-I) по ГОСТ 5781.

      Сваи железобетонные составные нижние С 80.35-НСв.6 усиленные для вибропогружения сплошного квадратного сечения 350х350 мм с ненапрягаемой арматурой являются высокоответственными изделиями, поэтому к ним предъявляются достаточно строгие требования к качеству как поверхности, так и геометрических параметров. Значения предельных отклонений геометрических параметров свай не должны превышать: по длине сваи – 25-50 мм, по размеру поперечного сечения (диаметру) – 20-66 мм. Отклонение от прямолинейности профиля боковых граней ствола свай на всей длине не должно быть больше 25-30 мм. Отклонение от перпендикулярности торцевой плоскости не должно превышать 0,01 размера стороны поперечного сечения изделия.

      Строгие требования предъявляются и к рабочей арматуре изделий. Расстояние от крайнего поперечного стержня до конца каркаса и расстояние от крайней сетки до торца сваи железобетонной составные нижние С 80.35-НСв.6 усиленные для вибропогружения сплошного квадратного сечения 350х350 мм с ненапрягаемой арматурой не должны превышать 10 мм. Шаг спирали, хомутов и сеток
      должен быть не более 10 мм при значении шага до 50 мм включительно, 15 мм – при шаге 50-100 мм и 25 мм – при шаге более 100 мм. Значения действительных отклонений толщины защитного слоя бетона до продольной арматуры не должны превышать +15 -5 мм.

      На поверхности свай не допускается обнажение рабочей и конструктивной арматуры. Концы напрягаемой арматуры после отпуска натяжения должны быть срезаны заподлицо с торцевой поверхностью железобетонной сваи. Требования к качеству бетонных поверхностей и внешнему виду свай (в том числе по ширине раскрытия поверхностных технологических трещин) определяет ГОСТ 13015.0. При этом размеры раковин, местных впадин на бетонной поверхности и околов бетона ребер свай не должны превышать: диаметр или наибольший размер раковины – 20 мм, глубина впадины – 10 мм, глубина окола бетона ребра – 20 мм. Высота наплывов на торцевой поверхности свай не должна быть более 5 мм.

      ЖБИ сваи составные нижние С 80.35-НСв.6 усиленные для вибропогружения сплошного квадратного сечения 350х350 мм с ненапрягаемой арматурой хранят в штабелях горизонтальными рядами с одинаковой ориентацией торцов свай. Между горизонтальными рядами свай при складировании и транспортировании должны быть уложены прокладки, расположенные рядом с подъемными петлями, или, в случае отсутствия петель – в местах, предусмотренных для захвата свай при их транспортировании. Высота штабеля свай не должна превышать ширину штабеля более чем в два раза.

      Погрузку и разгрузку свай железобетонных следует производить за подъемные петли. Подъем свай на копер следует производить стропом, закрепленным за сваю у фиксирующего штыря или у верхней подъемной петли, если это допускается требованиями рабочих чертежей на сваи составные нижние С 80.35-НСв.6 усиленные для вибропогружения сплошного квадратного сечения 350х350 мм с ненапрягаемой арматурой конкретного типа, при этом строповка непосредственно за подъемную петлю или штырь запрещается. Подъем свай для погружения в грунт осуществляют тросом, продетым в отверстие, образованное металлической втулкой и расположенное на расстоянии 250 мм от верхнего торца изделия.

      В компании ГК “БЛОК” можно заказать сваи железобетонные, а так же проконсультироваться с нашими специалистами, подобрать требуемые конструкции железобетонных изделий. В нашем отделе продаж можно узнать заранее и уточнить цену на жби сваи и рассчитать общую стоимость заказа. Купить сваи составные нижние С 80.35-НСв.6 усиленные для вибропогружения сплошного квадратного сечения 350х350 мм с ненапрягаемой арматурой и проконсультироваться по общим вопросам покупки и доставки Вы можете, позвонив по телефонам компании ГК БЛОК: Санкт-Петербург: (812) 309-22-09, Москва: (495) 646-38-32, Краснодар: (861) 279-36-00. Режим работы компании: Пн-Пт с 9-00 до 18-00. Компания ГК БЛОК осуществляет доставку изделий по всей России прямо до объекта заказчика или на строительную площадку, если позволяет инфраструктура.

      Характеристики
      ГОСТ/Серия
      Серия 1.011.1-10 вып.8
      Длина, мм
      350
      Ширина, мм
      8000
      Высота, мм
      8000
      Масса, тонн
      2.48
      Объем бетона, куб.м
      0.99
      Класс бетона
      В25
      Геометрический объем, м.куб
      22.4
      Сталь, кг
      108.3
      Закладная 1
      Каркас КП80.35-НСв.6
      Закладная 2
      Каркас КПо2
      Закладная 3
      Спираль СПр2
      Закладная 4
      Изделие закладное МН5
      Документы
      seriya-1.011.1-10-vyp.8
      5,7 Мб

      Как купить

      Процесс покупки железобетонных изделий у нас прост и удобен. Следуйте этим шагам:

      1. Выбор продукции: Ознакомьтесь с нашим ассортиментом и выберите необходимые железобетонные изделия.
      2. Консультация: Свяжитесь с нашим менеджером для получения консультации по выбору продукции и уточнения всех деталей. Вы можете позвонить нам или написать на электронную почту.
      3. Оформление заказа: После согласования всех деталей оформите заказ. Менеджер поможет вам заполнить все необходимые документы.
      4. Согласование доставки: После оформления заказа наш менеджер свяжется с вами для согласования условий и сроков доставки.
      5. Оплата: Выберите удобный способ оплаты. Мы предлагаем несколько вариантов, включая безналичный расчет.
      6. Получение товара: После выполнения всех условий заказа, вы получите железобетонные изделия в назначенное время и по согласованному адресу. При получении подпишите акт приема-передачи.

      Если у вас возникли вопросы на любом этапе покупки, не стесняйтесь обращаться к нашим менеджерам!

      Оплата

      Мы принимаем только безналичные платежи и работаем исключительно с юридическими лицами. Пожалуйста, ознакомьтесь с условиями оплаты ниже:

      1. Способ оплаты: Все расчеты производятся безналичным путем. Мы не принимаем наличные.
      2. Счет на оплату: После оформления заказа вам будет выставлен счет, который необходимо оплатить в срок, указанный в документе.
      3. Реквизиты: Все необходимые банковские реквизиты будут предоставлены в счете. Убедитесь, что все данные указаны правильно для успешного перевода.
      4. Подтверждение оплаты: После осуществления платежа отправьте нам подтверждение, чтобы мы могли оперативно обработать ваш заказ.
      5. Получение документов: После полной оплаты вы получите все необходимые документы, включая акт выполненных работ, товарные накладные и сертификаты на продукцию.

      Мы работаем с НДС и предоставляем все необходимые сертификаты и документы. Все гарантии будут прописаны в договоре, что обеспечивает прозрачность и надежность сотрудничества.

      Если у вас есть вопросы по поводу процесса оплаты, не стесняйтесь обращаться к нашим менеджерам за помощью!

      Наша оперативность — ваше удобство. Мы гарантируем своевременную доставку железобетонных изделий, что является ключевым фактором для успешной реализации ваших строительных проектов. Доставка осуществляется прямо к вашему объекту с учетом всех стандартов качества.

      Основные условия доставки:
      • Выбор тарифа: Вы можете выбрать способ расчета стоимости доставки — почасовой или по зонам.
      • Согласование: Менеджер свяжется с вами для уточнения деталей после оформления заказа.
      • Время на погрузку: Комплектация товара занимает от 1 до 3 дней в зависимости от объема.
      • Акт приема-передачи: Продукция передается по акту приема-передачи.

      Тарифы на доставку:
      Цены варьируются в зависимости от расстояния и региона. Все тарифы включают НДС. При неблагоприятных погодных условиях возможны небольшие изменения в стоимости.

      География доставки:
      Мы работаем по всей территории РФ и имеем 12 офисов и производств, чтобы обеспечить удобные условия для доставки.

      Для точного расчета стоимости доставки обращайтесь к нашим менеджерам!

      Назад к списку
      Каталог
      Доставка
      Компания
      Контакты
      Подписаться на рассылку
      +7 (4232) 78-33-45
      +7 (4232) 78-33-45
      Заказать звонок
      E-mail
      vladivostok@block-gbi.ru
      Адрес
      Океанский просп., 88А
      Режим работы
      Будни - с 9 до 18 Сб, ВС - выходные
      Заказать звонок
      vladivostok@block-gbi.ru
      Океанский просп., 88А
      © 2026 Производство и поставки железобетонных изделий. ООО «СК «Блок» ИНН 7842359185 / КПП 772601001

      Обращаем ваше внимание на то, что данный интернет-сайт, а также вся информация о товарах и ценах, предоставленная на нём, носит исключительно информационный характер и ни при каких условиях не является публичной офертой, определяемой положениями Статьи 437 Гражданского кодекса Российской Федерации. Для получения подробной информации о наличии и стоимости указанных товаров и (или) услуг, пожалуйста, обращайтесь к менеджеру сайта с помощью специальной формы связи или по телефону

      Политика конфиденциальности
      Карта сайта
      0

      Корзина

      Очистить корзину

      Ваша корзина пуста

      Исправить это просто: выберите в каталоге интересующий товар и нажмите кнопку «В корзину»
      В каталог
      Главная 0 Корзина Каталог Калькулятор Поиск Регион Кабинет Контакты