Железобетонные панели стеновые ПС-14 – это высокопрочные изделия специального назначения, которые используются при прокладке подземных коммуникаций: систем водопровода, канализации и газовых сетей. Тепловые, или как их еще называют теплофикационные, камеры служат для размещения узлов теплопроводов, а также оборудования, требующего постоянного обслуживания в процессе эксплуатации и, при необходимости, ремонта. Кроме того, с помощью камер осуществляется сопряжение труб разного размера и их пересечение.
Тепловые камеры позволяют разместить следующее оборудование: задвижки, сальниковые компенсаторы, дренажные и воздушные устройства, контрольно-измерительные приборы и другое оборудование. Также в камерах устанавливаются ответвления к потребителям и неподвижные опоры.
Основные направления, в которых используются камеры тепловые – это гражданское, жилищное и инженерное строительство. Высокая прочность этих ЖБИ позволяет обезопасить подземные коммуникации от неблагоприятных факторов окружающей среды, вибраций от проезжающего над трубопроводом транспорта, давления грунта, коррозии, а также от несанкционированного или случайного проникновения человека и животных. Железобетонные панели стеновые ПС-14 обладают повышенной прочностью и гидроизоляцией.
Тепловые камеры погружаются на максимальную расчетную глубину 4 м. Заглубление верха перекрытия камер принимается не менее 0,3 м. Для отвода случайных вод по днищу камер создается уклон цементно-песчаной стяжкой, направленный в сторону приямков. Во влажных грунтах вдоль линии теплопровода прокладывается сопутствующий дренаж с таким расчетом, чтобы уровень грунтовой воды не поднимался выше 1 м от низа камер.
Железобетонные панели стеновые ПС-14 в соответствии с серией 3.903 КЛ-13 «Теплоснабжение. Сборные железобетонные камеры на тепловых сетях» изготавливаются из гидротехнического бетона классом В22,5 по прочности на сжатие. Отпускная прочность бетона принимается не ниже 70% проектной прочности. Класс бетона по морозостойкости назначается F150, по водонепроницаемости – W4.
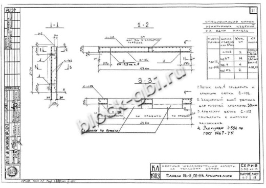
Жб панели стеновые ПС-14 армируются сварными сетками и каркасами из стержневой горячекатаной стали классов А-I, А-II и А-III. Подъемные петли для удобства монтажа сборных изделий изготавливаются из арматурной гладкой стали класса А-I. Изготовление сеток и каркасов производится контактной точечной электросваркой. Все закладные детали имеют антикоррозийное цинковое покрытие толщиной 150 мм.
Железобетонные панели стеновые ПС-14 – это конструкции высокой ответственности, от качества их изготовления зависит надежность и стабильность работы коммуникационных сетей и оборудования. Поэтому стандартами предусмотрен ряд технических требований к изготовлению и внешнему виду изделий. Например, на поверхности изделий допускаются только небольшие раковины, диаметр которых не должен превышать 10 мм, при этом на каждый погонный метр допускается не более одной раковины.
Железобетонные панели стеновые ПС-14 должны быть изготовлены в точном соответствии с размерами, указанными в чертежах проекта. Допускаемые отклонения от проектных размеров не должны превышать: ±10 мм – по длине, ширине и высоте изделий; ±5 мм – по толщине; ±5 мм – по толщине защитного слоя.
Железобетонные панели стеновые ПС-14 складируются и транспортируются в штабелях высотой не более 2 метров с обеспечением устойчивости и соблюдением требований техники безопасности. Каждое изделие укладывается на две деревянные прокладки толщиной не менее 30 мм. Прокладки должны устанавливаться на тех же расстояниях от торцов элементов, что и монтажные петли.
В компании ГК «БЛОК» можно не только заказать панели стеновые ПС-14 железобетонные, но и проконсультироваться с нашими специалистами, подобрать требуемые конструкции железобетонных изделий. В нашем отделе продаж можно заранее узнать и уточнить цену железобетонных тепловых камер и рассчитать общую стоимость заказа. Купить сборные железобетонные камеры на тепловых сетях и проконсультироваться по общим вопросам покупки и доставки Вы можете, позвонив по телефонам компании ГК «БЛОК»: Санкт-Петербург: (812) 309-22-09, Москва: (495) 646-38-32, Краснодар: (861) 279-36-00. Режим работы компании: Пн-Пт с 9-00 до 18-00. Компания ГК «БЛОК» осуществляет доставку сборных железобетонных камер тепловых сетей по всей России прямо до объекта заказчика или на строительную площадку, если позволяет инфраструктура.
|
ГОСТ/Серия
|
Серия 3.903 КЛ-13 |
|
Длина, мм
|
4340 |
|
Ширина, мм
|
220 |
|
Высота, мм
|
2170 |
|
Масса, тонн
|
3.18 |
|
Объем бетона, куб.м
|
1.27 |
|
Класс бетона
|
В22,5 |
|
Геометрический объем, м.куб
|
Серия 3.903 КЛ-13 в.1-7 |
Как купить
Процесс покупки железобетонных изделий у нас прост и удобен. Следуйте этим шагам:
- Выбор продукции: Ознакомьтесь с нашим ассортиментом и выберите необходимые железобетонные изделия.
- Консультация: Свяжитесь с нашим менеджером для получения консультации по выбору продукции и уточнения всех деталей. Вы можете позвонить нам или написать на электронную почту.
- Оформление заказа: После согласования всех деталей оформите заказ. Менеджер поможет вам заполнить все необходимые документы.
- Согласование доставки: После оформления заказа наш менеджер свяжется с вами для согласования условий и сроков доставки.
- Оплата: Выберите удобный способ оплаты. Мы предлагаем несколько вариантов, включая безналичный расчет.
- Получение товара: После выполнения всех условий заказа, вы получите железобетонные изделия в назначенное время и по согласованному адресу. При получении подпишите акт приема-передачи.
Если у вас возникли вопросы на любом этапе покупки, не стесняйтесь обращаться к нашим менеджерам!
Оплата
Мы принимаем только безналичные платежи и работаем исключительно с юридическими лицами. Пожалуйста, ознакомьтесь с условиями оплаты ниже:
- Способ оплаты: Все расчеты производятся безналичным путем. Мы не принимаем наличные.
- Счет на оплату: После оформления заказа вам будет выставлен счет, который необходимо оплатить в срок, указанный в документе.
- Реквизиты: Все необходимые банковские реквизиты будут предоставлены в счете. Убедитесь, что все данные указаны правильно для успешного перевода.
- Подтверждение оплаты: После осуществления платежа отправьте нам подтверждение, чтобы мы могли оперативно обработать ваш заказ.
- Получение документов: После полной оплаты вы получите все необходимые документы, включая акт выполненных работ, товарные накладные и сертификаты на продукцию.
Мы работаем с НДС и предоставляем все необходимые сертификаты и документы. Все гарантии будут прописаны в договоре, что обеспечивает прозрачность и надежность сотрудничества.
Если у вас есть вопросы по поводу процесса оплаты, не стесняйтесь обращаться к нашим менеджерам за помощью!
Наша оперативность — ваше удобство. Мы гарантируем своевременную доставку железобетонных изделий, что является ключевым фактором для успешной реализации ваших строительных проектов. Доставка осуществляется прямо к вашему объекту с учетом всех стандартов качества.
Основные условия доставки:
• Выбор тарифа: Вы можете выбрать способ расчета стоимости доставки — почасовой или по зонам.
• Согласование: Менеджер свяжется с вами для уточнения деталей после оформления заказа.
• Время на погрузку: Комплектация товара занимает от 1 до 3 дней в зависимости от объема.
• Акт приема-передачи: Продукция передается по акту приема-передачи.
Тарифы на доставку:
Цены варьируются в зависимости от расстояния и региона. Все тарифы включают НДС. При неблагоприятных погодных условиях возможны небольшие изменения в стоимости.
География доставки:
Мы работаем по всей территории РФ и имеем 12 офисов и производств, чтобы обеспечить удобные условия для доставки.
Для точного расчета стоимости доставки обращайтесь к нашим менеджерам!

