Описание рабочей камеры колодца КЛ 15
Рабочая камера колодца (КЛ 15) применяется для устройства подземных инженерных коммуникаций, таких как водопроводные, канализационные и дренажные системы. Изделие изготавливается компанией ГК "БЛОК", которая специализируется на производстве и поставке железобетонных изделий в Москве, с использованием высокопрочного бетона и армирования стальной арматурой, что обеспечивает её прочность, устойчивость к нагрузкам и долговечность.
Нормативный документ: Альбом РК 2201-82.
Применение рабочей камеры колодца КЛ 15
Рабочая камера колодца КЛ 15 используется для создания надёжной конструкции, воспринимающей нагрузки от грунта, транспорта и других внешних воздействий. Она служит важной частью системы, обеспечивающей безопасность, герметичность и долговечность объектов. Для монтажа могут применяться дополнительные элементы: раствор, закладные детали и другие комплектующие.
Типы рабочих камер колодцев
Железобетонные рабочие камеры колодцев подразделяются на несколько типов в зависимости от назначения и конструкции:
- КЛ: рабочая камера колодца;
- КД: доборная камера колодца;
- КУ: усиленная камера колодца;
- КП: проходная камера колодца.
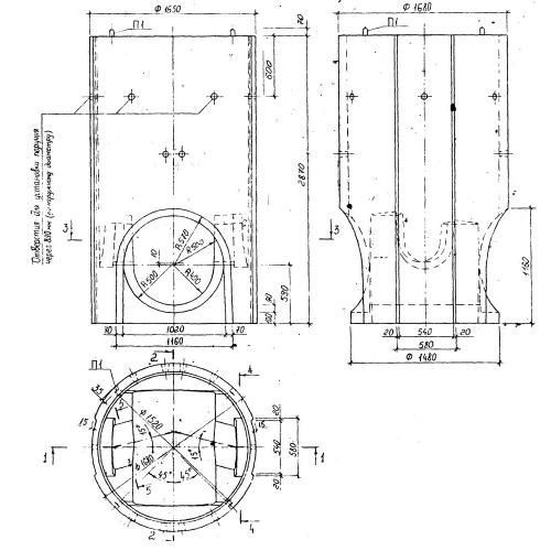
Размеры зависят от типа: длина 1680–1690 мм, ширина 1680–1690 мм, высота 2870–2880 мм.
Основные параметры, размеры и характеристики
- Длина L, мм: 1680
- Ширина b, мм: 1680
- Высота h, мм: 2870
- Масса, тонн: 4.45
- Объем бетона, м³: 1.78
- Геометрический объем, м³: 6.362
- Сталь, кг: 45.61
Закладные элементы
- Закладная 1: Спираль
- Закладная 2: Продольные стержни
- Закладная 3: Продольные стержни
- Закладная 4: Петля П1
Дополнительные характеристики
- Класс бетона: B25–B30 (марка М350–М400);
- Марка по морозостойкости: F200–F300;
- Марка по водонепроницаемости: W6–W8;
- Технология изготовления: формование с использованием высокопрочного бетона.
Нормы загрузки
- Норма загрузки в автотранспорт 20 т, шт: 4 (при наличии специального оборудования).
Расшифровка маркировки КЛ 15
Маркировка "КЛ 15" содержит следующую информацию:
- КЛ – рабочая камера колодца;
- 15 – условный внутренний диаметр изделия в дециметрах (1680 мм).
Условия транспортировки и хранения
Рабочие камеры колодцев КЛ 15 перевозятся автомобильным или железнодорожным транспортом с использованием специальных захватных устройств (строп). Хранение осуществляется на ровных площадках с твердым покрытием. Камеры устанавливаются горизонтально в штабель высотой не более 2,5 м. Для предотвращения повреждений между изделиями устанавливаются деревянные прокладки.
Контроль качества рабочей камеры колодца КЛ 15
Каждая рабочая камера колодца КЛ 15 проходит многоступенчатый контроль качества. Проверяются:
- прочность бетона (не ниже класса B25–B30);
- соответствие геометрических размеров проектным данным;
- морозостойкость и водонепроницаемость бетона;
- точность расположения закладных элементов;
- отсутствие трещин, сколов и других дефектов.
Заключение
Рабочая камера колодца КЛ 15 – это надежный и долговечный элемент для устройства подземных инженерных коммуникаций. Благодаря использованию качественных материалов и современных технологий производства, она обеспечивает прочность, устойчивость и долговечность конструкций. Для заказа качественных железобетонных изделий обращайтесь к профессионалам своего дела – компании ГК "БЛОК".
Смотрите также:
| Варианты написания товара |
|---|
| Рабочая камера колодца КЛ 15 |
| КЛ 15 рабочая камера колодца |
| Рабочая камера колодца КЛ 15 Альбом РК 2201-82 |
| КЛ 15 Альбом РК 2201-82 |
| КЛ 15 |
| Рабочая камера колодца КЛ 15 ГОСТ |
| КЛ 15 ГОСТ |
|
ГОСТ/Серия
|
Альбом РК 2201-82 |
|
Длина, мм
|
1680 |
|
Ширина, мм
|
1680 |
|
Высота, мм
|
2870 |
|
Масса, тонн
|
4.45 |
|
Объем бетона, куб.м
|
1.78 |
|
Геометрический объем, м.куб
|
6.362 |
|
Сталь, кг
|
45.61 |
|
Закладная 1
|
Спираль |
|
Закладная 2
|
Продольные стержни |
|
Закладная 3
|
Продольные стержни |
|
Закладная 4
|
Петля П1 |
Как купить
Процесс покупки железобетонных изделий у нас прост и удобен. Следуйте этим шагам:
- Выбор продукции: Ознакомьтесь с нашим ассортиментом и выберите необходимые железобетонные изделия.
- Консультация: Свяжитесь с нашим менеджером для получения консультации по выбору продукции и уточнения всех деталей. Вы можете позвонить нам или написать на электронную почту.
- Оформление заказа: После согласования всех деталей оформите заказ. Менеджер поможет вам заполнить все необходимые документы.
- Согласование доставки: После оформления заказа наш менеджер свяжется с вами для согласования условий и сроков доставки.
- Оплата: Выберите удобный способ оплаты. Мы предлагаем несколько вариантов, включая безналичный расчет.
- Получение товара: После выполнения всех условий заказа, вы получите железобетонные изделия в назначенное время и по согласованному адресу. При получении подпишите акт приема-передачи.
Если у вас возникли вопросы на любом этапе покупки, не стесняйтесь обращаться к нашим менеджерам!
Оплата
Мы принимаем только безналичные платежи и работаем исключительно с юридическими лицами. Пожалуйста, ознакомьтесь с условиями оплаты ниже:
- Способ оплаты: Все расчеты производятся безналичным путем. Мы не принимаем наличные.
- Счет на оплату: После оформления заказа вам будет выставлен счет, который необходимо оплатить в срок, указанный в документе.
- Реквизиты: Все необходимые банковские реквизиты будут предоставлены в счете. Убедитесь, что все данные указаны правильно для успешного перевода.
- Подтверждение оплаты: После осуществления платежа отправьте нам подтверждение, чтобы мы могли оперативно обработать ваш заказ.
- Получение документов: После полной оплаты вы получите все необходимые документы, включая акт выполненных работ, товарные накладные и сертификаты на продукцию.
Мы работаем с НДС и предоставляем все необходимые сертификаты и документы. Все гарантии будут прописаны в договоре, что обеспечивает прозрачность и надежность сотрудничества.
Если у вас есть вопросы по поводу процесса оплаты, не стесняйтесь обращаться к нашим менеджерам за помощью!
Наша оперативность — ваше удобство. Мы гарантируем своевременную доставку железобетонных изделий, что является ключевым фактором для успешной реализации ваших строительных проектов. Доставка осуществляется прямо к вашему объекту с учетом всех стандартов качества.
Основные условия доставки:
• Выбор тарифа: Вы можете выбрать способ расчета стоимости доставки — почасовой или по зонам.
• Согласование: Менеджер свяжется с вами для уточнения деталей после оформления заказа.
• Время на погрузку: Комплектация товара занимает от 1 до 3 дней в зависимости от объема.
• Акт приема-передачи: Продукция передается по акту приема-передачи.
Тарифы на доставку:
Цены варьируются в зависимости от расстояния и региона. Все тарифы включают НДС. При неблагоприятных погодных условиях возможны небольшие изменения в стоимости.
География доставки:
Мы работаем по всей территории РФ и имеем 12 офисов и производств, чтобы обеспечить удобные условия для доставки.
Для точного расчета стоимости доставки обращайтесь к нашим менеджерам!

